![]() |

|
|
||||||||||||||||||||||||||||||||||||||||||||||||||||||||||||||||||||||||||||||||||||||||||||||||||||||||||||||||||||||||||||||||||||||||||||||||||||||||||||||||||||||||||||||||||||||||||||||||||||||||||||||||||||||||||||||||||||||||||
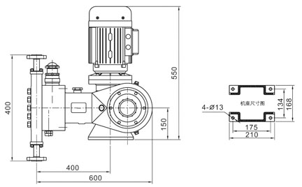
JYZR系列液壓隔膜式計量泵(耐腐蝕精密加藥泵)

產品詳細介紹
流量范圍: 0-750L/H
壓力范圍: 0-28MPA
功率: 1.1KW, 1.5KW, 220V / 380V /400V,50Hz / 60Hz
驅動系統: 兩相、三相標準電機或防爆電機
流量控制: 手動控制或(接收 4-20mA 信號)
防護等級: IP55,IP54
材料
泵頭: SUS304, SUS316, 304+PTFE, 316+PTFE
隔膜: PTFE
單向閥: SUS304, SUS316
閥球: ZrO2, SUS304, SUS316, 陶瓷
工作條件
環境溫度: -30℃ --- 90℃
特點
1.無泄漏,維修方便,低噪音,使用方便。
2.計量精度優于機械隔膜泵,密封性能優于柱塞泵。
3.配沖程調節器可以實現遠程自動控制。
4. 隔膜為多層復合結構壓制而成,DY層超韌性Teflon耐酸薄膜,第二層EPDM彈性橡膠,第三層3.0mmSUS304支撐鐵芯,第四層采用強化尼龍纖維補,第五層采用EPDM彈性橡膠完全包履,可有效提出升隔膜使用壽命
新款技術參數表:
| 型號MODEL | 流量(L/H) | 電機功率 | 柱塞直徑 (mm) |
行程 (mm) |
泵速 (min-1) |
進出口徑 (DN) |
重量(kg) | |
| 1.1kw | 1.5kw | |||||||
| 壓力(Mpa) | ||||||||
| JYZR□/22/16 | 28 | 16 | 22 | 16 | 30 | 96/144 | 10 接管套 |
140 |
| JYZR□/14/10 | 45 | 10 | 14 | 20 | ||||
| JYZR□/12/10 | 58 | 10 | 12 | 22 | ||||
| JYZR□/9.0/6.3 | 75 | 6.3 | 9.0 | 25 | ||||
| JYZR□/6.5/4.5 | 125 | 4.5 | 6.5 | 32 | 15 法蘭 |
155 | ||
| JYZR□/4.5/3.2 | 160 | 3.2 | 4.5 | 36 | ||||
| JYZR□/3.6/2.6 | 200 | 2.6 | 3.6 | 40 | ||||
| JYZR□/2.8/2.0 | 250 | 2.0 | 2.8 | 45 | ||||
| JYZR□/2.3/1.6 | 320 | 1.6 | 2.3 | 50 | 20 法蘭 |
162 | ||
| JYZR□/1.8/1.4 | 380 | 1.4 | 1.8 | 55 | ||||
| JYZR□/1.6/1.2 | 460 | 1.2 | 1.6 | 60 | ||||
| JYZR□/1.4/1.0 | 700 | 1.0 | 1.4 | 60 |
||||
以下為老款技術參數:
|
型號 |
流量 (L/H) |
壓力(MPA) |
柱塞直徑 (mm) |
行程(mm) |
沖次 |
功率(kw) |
進出口徑(DN) |
重量(kg) |
|
JYZR28/22 |
28 |
22 |
16 |
30 |
96 |
1.5 |
10 |
100 |
|
JYZR28/16 |
28 |
16 |
1.1 |
|||||
|
JYZR45/14 |
45 |
14 |
20 |
1.5 |
||||
|
JYZR45/10 |
45 |
10 |
1.1 |
|||||
|
JYZR110/9 |
110 |
9.0 |
25 |
144 |
1.5 |
|||
|
JYZR110/6.3 |
110 |
6.3 |
1.1 |
|||||
|
JYZR125/5.6 |
125 |
6.5 |
32 |
96 |
1.5 |
15 |
155 |
|
|
JYZR125/4.5 |
125 |
4.5 |
1.1 |
|||||
|
JYZR160/4.5 |
160 |
4.5 |
36 |
1.5 |
||||
|
JYZR165/3.2 |
160 |
3.2 |
1.1 |
|||||
|
JYZR200/3.6 |
200 |
3.6 |
40 |
1.5 |
||||
|
JYZR200/2.6 |
200 |
2.6 |
1.1 |
|||||
|
JYZR250/2.8 |
250 |
2.8 |
45 |
1.5 |
20 |
162 |
||
|
JYZR250/2..0 |
250 |
2.0 |
1.1 |
|||||
|
JYZR320/2.3 |
320 |
2.3 |
50 |
1.5 |
||||
|
JYZR320/1.6 |
320 |
1.6 |
1.1 |
|||||
|
JYZR380/1.8 |
380 |
1.8 |
55 |
1.5 |
||||
|
JYZR380/1.4 |
380 |
1.4 |
1.1 |
|||||
|
JYZR460/1.6 |
460 |
1.6 |
60 |
1.5 |
||||
|
JYZR480/1.2 |
460 |
1.2 |
1.1 |
|||||
|
JYZR500/1.4 |
500 |
1.4 |
63 |
96 |
1.5 |
|||
|
JYZR500/1.0 |
500 |
1.0 |
1.1 |
|||||
|
JYZR700/1.4 |
750 |
1.4 |
144 |
1.5 |
||||
|
JYZR750/1.0 |
750 |
1.0 |
1.1 |

JYZR型液壓隔膜計量泵注意事項:
適用于由一般的常溫清水直Z具有強腐蝕,易揮發、已結晶、易燃、易爆、劇毒、惡臭、腐蝕性強,比重大、中等粘度,有放射性或其它貴重液體等。同時也可輸送懸浮液體,對一些為防止隔膜破裂后,介質與液壓油混合引起事故,對易燃易爆、劇毒及貴重液體時,可選用雙隔膜計量泵并帶隔膜破裂報警裝置。
注意事項
1.計量泵使用前請在齒輪箱內加220#媧輪蝸桿油或50#齒輪油Z油標,并在液壓油池內加L-HM32-46液壓油Z油標。
2.計量泵開機之前一定要確保出口管路通暢(閥門全開〉。
3.計量泵要停止工作時先關閉計量泵,再關閉出口閥門。
4.計量泵電機接線一定要按照電機銘P的電壓接線(380V或220V)
5.不銹鋼管路接頭焊接時,切不可把焊渣或雜物掉入管路或閥體內(從而會造成計量泵不出水、壓力變小或流量變小)
6.出口管路壓力一定要高于進口管路壓力,如果低于進口壓力,一定要加裝背壓閥, 防止產生虹吸。
出口管路口徑一定要大于或等于,相應計量泵的標配口徑。
JYZR型液壓隔膜計量泵安裝調試:
泵運轉前的準備工作
1.安裝驗收合格后,開機前應檢查各連接處螺栓、螺母不允許有任何松動,新泵應清除泵上的防腐或污垢,清除時應用煤油檫洗,切用鏟刮。
2.液壓油箱內注入適量的L-HM46液壓油,油量以油標水平中線為準。
3.傳動箱內注入適量的L-CKE460蝸輪油(SH/T0094-199)或L-CKE460工業閉式齒輪油(GB5903-1995),油量以油標水平中線為準。
4.用手動聯軸器或電機,使柱塞全行程往復移動若干次,不得有任何卡阻現象。
5.按電機各P接通電源,啟動電機,檢查電機的旋轉方向是否與轉向標志一致。(注:此時管路上的進出口闊應處于完全敞開狀態,否則后果自負)
計量泵的流量調節
1.根據工藝流程的流量要求,將調量表或刻度盤轉相應的指示值。流量的調節應從小到大的原則。若需從大到小調節時(流量表),觀察指針隨調節手輪的旋轉而游動,當指針到要求位置時,并超過數格,再向大流量方向使指針,調要求值。調節完畢,需將手輪鎖緊。
2.流量調節可以在停車或運轉中進行,調定后泵的流量約需1-2分鐘才能穩定,流量越大,穩定時間就越長。
注:P為額定壓力。為了安全,建議非專業人員不得隨意調動。
4.完成上述各項工作后,確認無誤,方可投入運行。
停機前SX使出口節流闊處于完全開狀態,排出壓力降Z常壓,此時才能切斷電源停止運行。
運行前準備
1.計量泵應安裝在堅固的專用基礎上,校正后緊定地腳螺栓,如果安裝在混凝土基礎上應高出地面100-150毫米以上。
2.連接管路應裝測量儀表。〔如壓力表等、用戶自備)
3.吸入管路末端應裝有過濾裝置。(用戶自備也可象我公司訂購)
4.電器控制設備根據使用情況應盡可能安裝在泵工作地點,(不涉及安全的前提下),電器控制設備應裝設與輸送介質相應的控制保護裝置,以確保安全。
5.吸入與排出管徑應不少于進出口管徑,吸入管路應盡量短。如吸入管路過長或彎管接頭過多,應進行NPSHa核算。以滿足必須凈正吸入壓頭的要求。
6.排出管路應裝有安全闊或安全溢流闊和背壓闊(用戶自備)如需減少出口壓力脈沖,可在Z近泵排出路上設穩壓裝置。(用戶自備)
7.泵安裝的其它技要求應符合《機械設備安裝及驗收規范》TJ231(五)-78-中的有關規定。
泵的安裝
1.將泵浦安裝在高于藥槽200-300皿的堅固基礎上,并水平安裝。
2.泵應安裝在高于地面300-500毫米高混疑土上,將泵以水平狀態校正;多聯泵安裝應注意以泵的相間聯軸器為校正基準,同心度偏差不得超過0.15毫米〔彈性聯軸器),鋼性聯軸器應在0.05毫米之內;
3.吸排管路上不應有急劇的彎頭〔不大于90°),并應盡量減少管路中彎曲和增加阻力的部件。
4.勿將泵浦及藥槽安裝在日光直接照射之處。
5.藥槽平時應補充藥液及保養檢查之需,請置于較寬敞的場所。
6.請勿安裝在易按觸濕氣或腐蝕性氣體之處。
7.泵浦安裝之周圍溫度在-20~+40℃,高度在海拔1000M以下使用。
管路安裝
1.吸入配管通徑不能少于泵的吸入闊口徑,并應盡量縮短吸入管道長度,一般2-3米為宜; 如必須增加長度時,則應適當加長,但長度不得超過5米(但啟動時的吸入液體時間相對延長)。
2.與吸入、排出闊〔法蘭)聯接的管道,不能強行結合而使泵闊增加負荷,不得將管道及闊門等的重量由泵和吸排闊承擔。管路安裝完畢應支承并固定好管件。
特殊液體對管道通量的增加
1.為了確保泵的安全運營以及管路系統的安全,應在排出管道上設置安全闊,如需要減少被輸送液體的脈沖,可在靠近泵排出管路上安裝緩沖器。
2.對于輸送懸浮液及易產生沉淀的介質,在泵的吸入及排出附近應增設闊門及三通,以便在泵運營停止時不拆開管路就能進行缸體內沖洗。
安裝規范(按裝圖)
泵安裝的其它技術要求應符合《機械設備安裝工作施工及驗收規范》TJ231 (五)-78-泵安裝的有關規定。
JYZR型液壓隔膜計量泵故障維護:
泵的維護與使用
維護
1.傳動箱、液壓油箱內應保持ZD的油位,不應過多或過少。
2.潤滑油和液壓油應干凈無雜后,并按下表(2)周期進行更換。
表(2)
油類 使用期限 換油周期
潤滑油 開始3-6個月 每3個月更換一次
潤滑油 6個月以后 每6個月更換一次
液壓油 開始2-5個月 每2個月更換一次
液壓油 5個月以后 每5個月更換一次
3.泵運轉2000-3000小時以后,應拆開檢查內部零件,進行檢修和更換易損件。
4.泵若長期停用,應將液缸內的介質排凈放干,并把表面清洗干凈,外露加工表面需防銹油。存放期內泵應置于干燥處。
拆卸與裝配
液壓隔膜式式計量泵液力端的拆卸。擰開液壓油箱底處的內六角螺塞,放掉箱內的液壓油,盤動電機聯軸器,把活塞移向前死點,將活塞從十字頭上拆出,將液壓端從機座上拆下來然后按以下順序拆下液力端各部件:
1.拆下放氣過載闊和補償闊總成;
2.拆下進出口壓闊法蘭,依次取出闊套,〔闊芯、彈簧)闊座;
3.擰開缸蓋上的固定螺母,拆下缸蓋,依次取液壓隔膜式;
4.拆下缸體與油箱的螺栓,取下缸體、柱塞、液缸,再取下限位闊組件。
5.卸下液壓油箱與傳動箱的聯接螺母,取下油箱。
裝配按下列順序進行:
按液壓隔膜式式計量泵液壓端拆卸順序的逆序裝在傳動箱上。調節好補油闊和放氣過載闊,在裝放氣過載闊前,從放氣過載闊油孔加足液壓油,使液壓腔內的氣體排出。裝配完畢,轉動聯軸器, 應運轉自如,無卡阻現象。
聲明:由于產品一直在更新,本文中所有文字、數據、圖片均只適用于參考,JYZR型液壓隔膜計量泵性能參數、JYZR型液壓隔膜計量泵使用場合、JYZR型液壓隔膜計量泵材質要求、JYZR型液壓隔膜計量泵泵結構、JYZR型液壓隔膜計量泵安裝尺寸以及JYZR型液壓隔膜計量泵價格等詳情,請聯系我們的營銷部,非常榮幸能夠為貴司提供技術協助和系統選型報價服務,互惠互利互助互贏攜手合作!如果需要我們進一步技術協助請提供詳細使用數據參數(產品名稱、泵型號、泵口徑、泵輸送介質名稱、泵流量 泵揚程、泵進出口壓力、介質溫度、介質黏度、比重&密度、含固率、顆粒直徑、凝結點、過流部件材料要求、電機功率(KW)、電壓(V)、材質、轉速(r/min)、是否帶附件等)方便工程技術聯合我處選型以便我們的為您正確選型。若已經由設計單位選定我公司的產品型號,請按型號直接向公司銷售部訂購。當使用的場合非常重要或環境比較復雜時,請您盡量提供設計圖紙和詳細參數,由我們的技術ZJ為您審核把關。請聯系我們的營銷部電話TEL:(+86-21)335l0117 335l0177,傳真FAX:(+86-21)39l60355感謝您訪問龍亞泵業網站http://www.cpayx.com.cn,我們一定會盡心盡力為您提供優質的服務。