JSD系列柱塞式計量泵

JSD系列柱塞式計量泵性能參數表:
流量參數表(*號為選配)
| 型號 Model |
流量 L/H |
壓力 MPa |
柱塞直徑 mm |
行程 mm |
汞速 min |
電機功率 kw |
進出口徑 |
聯接方式 |
| *JSD23/50 |
23 |
50 |
12 |
40 |
100 |
3 |
DN10 |
WN法蘭 |
| JSD40/40 |
40 |
40 |
16 |
| JSD63/28 |
63 |
28 |
20 |
| JSD105/18 |
105 |
18 |
25 |
40 |
100 |
3 |
DN16 |
WN法蘭 |
| JSD175/11 |
175 |
11 |
32 |
| JSD240/8.0 |
240 |
8.0 |
38 |
| JSD300/6.3 |
300 |
6.3 |
42 |
| JSD360/5.5 |
360 |
5.5 |
45 |
| JSD450/4.5 |
450 |
4.5 |
50 |
40 |
100 |
3 |
DN20 |
RF法蘭 |
| JSD540/3.8 |
540 |
3.8 |
55 |
| JSD650/3.2 |
650 |
3.2 |
60 |
| JSD760/2.6 |
760 |
2.6 |
65 |
| JSD900/2.3 |
900 |
2.3 |
70 |
40 |
100 |
3 |
DN25 |
RF法蘭 |
| JSD1050/2.0 |
1050 |
2.0 |
75 |
| JSD1200/1.8 |
1200 |
1.8 |
80 |
| JSD1350/1.6 |
1350 |
1.6 |
85 |
| JSD1500/1.4 |
1500 |
1.4 |
90 |
40 |
100 |
3 |
DN32 |
RF法蘭 |
| JSD1680/1.2 |
1680 |
1.2 |
95 |
| JSD1850/1.0 |
1850 |
1.0 |
100 |
| JSD2050/0.8 |
2050 |
0.8 |
105 |
40 |
100 |
DN40 |
RF法蘭 |
| JSD2500/1.0 |
2500 |
1.0 |
95 |
40 |
150 |
DN32 |
| JSD3000/1.0 |
3000 |
0.6 |
105 |
DN40 |
* 可定做雙頭(流量是單頭的2倍);也可定做成三頭(流量是單頭的3倍)
* 帶星號陰影的為特殊配置,選用時請咨詢上海龍亞泵閥技術部;3JSD需配電機功率4KW.

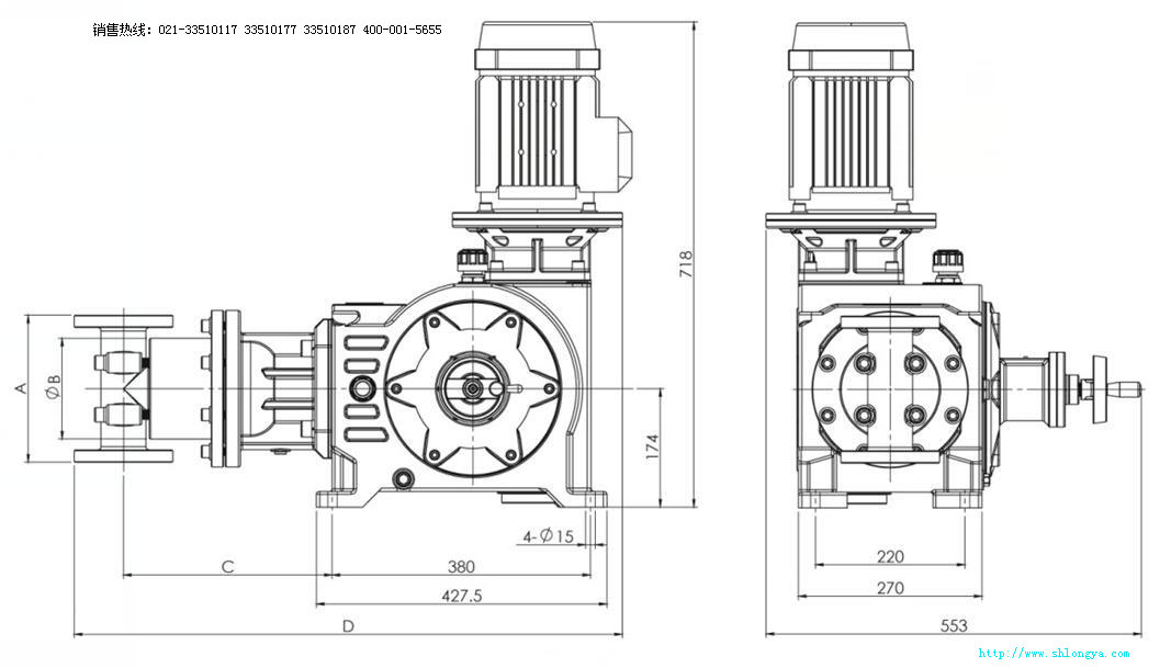
JSD系列柱塞式計量泵安裝尺寸圖,尺寸單位:MM
| 型號 |
A |
B |
C |
D |
| JSD 23-240 |
360 |
98 |
276.5 |
724.5 |
| JSD 300-360 |
360 |
98 |
266.5 |
714.5 |
| JSD 450-760 |
328 |
98 |
276.5 |
729.5 |
| JSD 900-1050 |
349 |
108 |
269.5 |
730.5 |
| JSD 1200-1350 |
359 |
118 |
269.5 |
730.5 |
| JSD 1500-1680 |
407 |
128 |
275.5 |
749 |
| JSD 1850 |
417 |
138 |
275.5 |
749 |
| JSD2050 |
216 |
148 |
308 |
806 |
| JSD 2500 |
407 |
128 |
275.5 |
749 |
| JSD 3000 |
216 |
148 |
308 |
806 |
地址:上海市松江區小昆山經濟區崇南公路435弄20號
電話:021-33510117
021-33510177
021-33510187
熱線:4OO-OO1-5655
傳真:021-39160355
郵箱:shlongya@163.com


銷售部微信:
