![]() |

|
|
||||||||||||||||||||||||||||||||||||||||||||||||||||||||||||||||||||||||||||||||||||||||||||||||||||||||||||||||||||||||||||||||||||||||||||||||||||||||||||||||||||||||||||||||||||||||||||||||||||||||||||||||||||||||||||||||||||||||||||||||||||||||||||||||||||||||||||||||||||||||||||||||||||||||||||||||||||||||||||||||||||||||||||||||||||||||||||||||||||||||||||||||||||||||||||||||||||||||||||||||||||||||||||||||||||||||||||||||||||||||||||||||||||||||||||||||||||||||||||||||||||||||||||||||||||||||||||||||||||||||||||||||||||||||||||||||||||||||||||||||||||||||||||||||||||||||||||||||||||||||||||||||||||||||||||||||
W與WY系列往復式真空泵

W系列往復式真空泵是獲得粗真空的主要真空設備ZY。廣泛應用于化工、食品、建材等部門,特別是在真空結晶、干燥、過濾、蒸發等工藝工程中更為適宜。



W4-1 W5-1
W3 W4
W5
性能規格
主要性能參數
|
型號性能參數 |
W-50 (W3) |
W-100 (W4) |
W-200 (W5) |
WY-100 (W4) |
WY-200 (W5) |
W-70 |
W4-1 |
W150 |
W5-1 |
W6-1 |
||
|
抽氣速率L/S |
50 |
100 |
200 |
100 |
200 |
70 |
100 |
150 |
200 |
300 |
||
|
極限壓力pa |
1330 |
1330 |
1330 |
1330 |
1330 |
2660 |
2660 |
2660 |
2660 |
2660 |
||
|
轉速rpm |
300 |
200 |
200 |
200 |
200 |
364 |
530 |
300 |
430 |
285 |
||
|
電機 |
型號 |
Y132S-4 |
Y160L-6 |
Y200L3-6 |
Y160L-6 |
Y200L3-6 |
Y160M-6 |
Y160M-4 |
Y160L-6 |
Y200L2-6 |
Y255M-6 |
|
|
功率 |
5.5 |
11 |
22 |
11 |
22 |
7.5 |
11 |
15 |
22 |
30 |
||
|
吸排氣口徑(mm) |
50 |
100 |
125 |
100 |
125 |
100 |
100 |
125 |
125 |
180 |
||
|
進出水口徑(寸) |
1/2 |
3/4 |
3/4 |
3/4 |
3/4 |
1/2 |
1/2 |
3/4 |
3/4 |
3/4 |
||
|
氣缸直徑×行程(mm) |
250×150 |
350×200 |
455×250 |
350×200 |
455×250 |
250×150 |
250×150 |
350×200 |
350×200 |
455×255 |
||
|
外形 |
長 |
1411 |
1780 |
2335 |
1780 |
2335 |
1490 |
1490 |
1927 |
1812 |
2475 |
|
|
高 |
625 |
767 |
1040 |
767 |
1010 |
508 |
508 |
633 |
659 |
756 |
||
|
寬 |
640 |
891 |
1162 |
891 |
1162 |
542 |
542 |
772 |
542 |
1138 |
||
|
重量 |
400 |
760 |
1480 |
790 |
1520 |
440 |
440 |
800 |
760 |
1670 |
||
以下為2010款W與WY往復式真空泵參數:
| 型號/項目 | WY-50 (W3) |
W-70 | W4-1 | W-100 (W4) |
W-150 | W5-1 | W-50 (W3) |
W-100 (W4) |
W-200 (W5) |
W-300 (W6) |
|
| 抽氣速率 (L/s) |
50 | 70 | 100 | 100 | 150 | 200 | 50 | 100 | 200 | 1080 | |
| 極限真空 kpa(TOrr) |
1.3(10) | 2.6(20) | 2.6(20) | 1.3(10) | 2.6(20) | 2.6(20) | 1.3(10) | 1.3(10) | 1.3(10) | 2600 | |
| 轉速 (r/min) |
300 | 364 | 530 | 200 | 300 | 430 | 300 | 200 | 200 | 300 | |
| 配用電動機 型號 |
Y132S-4 | Y160M-6 | Y160M-4 | Y160L-6 | Y180L-6 | Y200L-6 | Y132S-4 | Y160L-6 | Y200L3-6 | 30 | |
| 配用功率 (Kw) |
5.5 | 7.5 | 11 | 11 | 15 | 22 | 5.5 | 11 | 22 | 450x200 | |
| 吸排氣口 直徑(mm) |
50 | 80 | 80 | 80 | 125 | 125 | 50 | 80 | 125 | 175mm | |
| 進出水口 直徑(寸) |
1/2 | 1/2 | 1/2 | 3/4 | 3/4 | 3/4 | 1/2 | 3/4 | 3/4 | 175mm | |
| 氣缸直徑* 徑程(mm) |
250x150 | 250x150 | 250x150 | 350x200 | 350x200 | 350x200 | 250x150 | 350x200 | 455x250 | 3/4 | |
| 外形尺寸 (mm) |
長 | 1411 | 1490 | 1490 | 1780 | 1927 | 1812 | 1411 | 1780 | 2335 | 3/4 |
| 寬 | 625 | 580 | 580 | 767 | 633 | 659 | 625 | 767 | 1010 | 1980 | |
| 高 | 640 | 542 | 542 | 891 | 772 | 542 | 640 | 891 | 1162 | 745 | |
| 重量(Kg) 不含電機 |
400 | 440 | 440 | 760 | 800 | 760 | 420 | 790 | 1520 | 980 | |
泵實際抽速-進氣壓力曲線

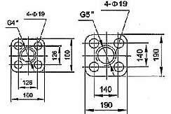
外形及安裝尺寸1(W-70、150,W4-1、W5-1系列)
![]() |
![]() |
![]() |
![]() |
| W-70進排氣口尺寸 ;; W-150進排氣口尺寸 W4-1進排氣口尺寸 ;; W5-1進排氣口尺寸 詳細參數參照以下左表>;;>;; |
![]() |
|
![]() |
![]() |
![]() |
|
![]() |
![]() |
| 詳細參數參照以下右表>;;>;; | |
|
|
(由于產品在不斷的更新中,如出現樣本技術數據或結構與產品實際數據有不一致處,應尊照雙方的技術參數協議。請恕不再另行通知。)
老款回顧:
![]() |
||||||||||||||||||||||||||||||||||||||||||||||||||||||||||||||||||||||||||||||||||||||||||||||||||||||||||
| 【用途及使用范圍】 | ||||||||||||||||||||||||||||||||||||||||||||||||||||||||||||||||||||||||||||||||||||||||||||||||||||||||||
| W、WY系列往復式真空泵是獲得粗真空的主要設備。廣泛用于煉油、顏料、塑料、肥皂、食品、制糖、制藥等方面的真空蒸餾、蒸發、結晶、干燥過濾建筑方面的混凝土作業 冶金工業中的真空除氣以及其它部門需要的低壓、低溫作業。 |
||||||||||||||||||||||||||||||||||||||||||||||||||||||||||||||||||||||||||||||||||||||||||||||||||||||||||
| 【技術規格】 | ||||||||||||||||||||||||||||||||||||||||||||||||||||||||||||||||||||||||||||||||||||||||||||||||||||||||||
|
||||||||||||||||||||||||||||||||||||||||||||||||||||||||||||||||||||||||||||||||||||||||||||||||||||||||||
