![]() |

|
|
||||||||||||||||||||||||||||||||||||||||||||||||||||||||||||||||||||||||||||||||||||||||||||||||||||||||||||||||||||||||||||||||||||||||||||||||||||||||||||||||||||||||||||||||||||||||||||||||||||||||||||||||||||||||||||||||||||||||||||||||||||||||||||||||||||||||||||||||||||||||||||||||||||||||||||||||||||||||||||||||||||||||||||||||||||||||||||||||||||||||||||||||||||||||||||||||||||||||||||||||||||||||||||||||||||||||||||||||||||||||||||||||||||||||||||||||||||||||||||||||||||||||||||||||||||||||||||||||||||||||||||||||||||||||||||||||||||||||||||
J-D系列柱塞式計量泵(不銹鋼高壓計量泵)
產品介紹

流量范圍: 0-3000L/H
壓力范圍: 0-50MPA
電 機: 3KW, 4KW, 380V / 400V, 50/60Hz
驅動系統: 三相電機或防爆電機
流量控制:手動控制或自動控制
防護等級: IP55, IP54
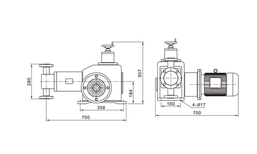
以下為老款J-D圖片:

材料
泵頭: SUS304, SUS316,SUS304+PTFE,SUS316+PTFE
隔膜: PTFE
單向閥: SUS304, SUS316, PVC, PTEF
閥球: 氧化鋯、304、316、陶瓷、二氧化硅
工作條件
環境溫度: -30℃ --- 90℃
新款技術參數表:
| 型號MODEL | 流量(L/H) | 電機功率 | 柱塞直徑 (mm) |
行程 (mm) |
泵速 (min-1) |
進出口徑 (DN) |
重量(kg) | |||||
| J-D | 2-JD | 3-JD | 3kw | 4kw | J-D | 2-JD | 3-JD | |||||
| 壓力(Mpa) | ||||||||||||
| J-D□/50/40 | 23 | 46 | 69 | 40 | 50 | 12 | 40 | 100 | 10 法蘭 |
145 | 255 | 340 |
| J-D□/40/30 | 40 | 80 | 120 | 30 | 40 | 16 | ||||||
| J-D□/28/20 | 63 | 126 | 189 | 20 | 28 | 20 | ||||||
| J-D□/18/13 | 105 | 210 | 315 | 13 | 18 | 25 | 15 法蘭 |
148 | 257 | 342 | ||
| J-D□/11/8.0 | 175 | 350 | 525 | 8.0 | 11 | 32 | ||||||
| J-D□/6.3/4.8 | 300 | 600 | 900 | 4.8 | 6.3 | 42 | ||||||
| J-D□/5.5/4.5 | 365 | 730 | 1095 | 4.5 | 5.5 | 45 | 20 法蘭 |
150 | 260 | 352 | ||
| J-D□/4.5/3.5 | 450 | 900 | 1350 | 3.5 | 4.5 | 50 | ||||||
| J-D□/3.8/2.8 | 540 | 1080 | 1620 | 2.8 | 3.8 | 55 | ||||||
| J-D□/3.2/2.4 | 650 | 1300 | 1950 | 2.4 | 3.2 | 60 | ||||||
| J-D□/2.6/2.0 | 760 | 1520 | 2280 | 2 | 2.6 | 65 | ||||||
| J-D□/2.3/1.6 | 900 | 1800 | 2700 | 1.6 | 2.3 | 70 | 25 法蘭 |
153 | 266 | 361 | ||
| J-D□/2.0/1.4 | 1050 | 2100 | 3150 | 1.4 | 2.0 | 75 | ||||||
| J-D□/1.8/1.2 | 1200 | 2400 | 3600 | 1.2 | 1.8 | 80 | ||||||
| J-D□/1.6/1.1 | 1350 | 2700 | 4050 | 1.1 | 1.6 | 85 | ||||||
| J-D□/1.4/1.0 | 1500 | 3000 | 4500 | 1.0 | 1.4 | 90 | 32 法蘭 |
160 | 272 | 369 | ||
| J-D□/1.2/0.8 | 1680 | 3360 | 5040 | 0.8 | 1.2 | 95 | ||||||
| J-D□/1.0 | 1850 | 3700 | 5550 | *** | 1.0 | 100 | ||||||
| J-D□/0.8 | 2050 | 4100 | 6150 | *** | 0.8 | 105 | 40 法蘭 |
175 | 191 | 380 | ||
| J-D□/0.6 | 2250 | 4500 | 6750 | *** | 0.6 | 110 | ||||||
| J-D□/1.0 | 2500 | 5000 | 7500 | *** | 1.0 | 95 | 40 | 150 | 32法蘭 | 180 | 300 | 390 |
| J-D□/0.6 | 3000 | 6000 | 9000 | *** | 0.6 | 105 | 40法蘭 | |||||
以下為老款技術參數:
|
型號 |
流量 (L/H) |
壓力 |
柱塞直徑r |
行程 |
沖次 |
電機功率 |
進出口徑 |
重量 |
||||
|
|
JDR |
2-JDR |
3-JDR |
(MPA) |
(mm) |
(mm) |
(min-1) |
(kw) |
DN |
JDR |
2-JDR |
3-JDR |
|
J-D□/50 |
23 |
46 |
69 |
50 |
12 |
40 |
100 |
4 |
10 |
145 |
255 |
340 |
|
J-D□/40 |
23 |
46 |
69 |
40 |
12 |
3 |
||||||
|
J-D□/40 |
40 |
80 |
120 |
40 |
16 |
4 |
||||||
|
J-D□/30 |
40 |
80 |
120 |
30 |
16 |
3 |
||||||
|
J-D□/28 |
63 |
126 |
189 |
28 |
20 |
4 |
||||||
|
J-D□/20 |
63 |
126 |
189 |
20 |
20 |
3 |
||||||
|
J-D□/18 |
105 |
210 |
315 |
18 |
25 |
4 |
15 |
148 |
257 |
342 |
||
|
J-D□/13 |
105 |
210 |
315 |
13 |
25 |
3 |
||||||
|
J-D□/11 |
175 |
350 |
525 |
11 |
32 |
4 |
||||||
|
J-D□/8 |
175 |
350 |
525 |
8.0 |
32 |
3 |
||||||
|
J-D□/6.3 |
300 |
600 |
900 |
6.3 |
42 |
4 |
||||||
|
J-D□/4.8 |
300 |
600 |
900 |
4.8 |
42 |
3 |
||||||
|
J-D□/4.5 |
450 |
900 |
1350 |
4.5 |
50 |
4 |
20 |
150 |
260 |
352 |
||
|
J-D□/3.5 |
450 |
900 |
1350 |
3.5 |
50 |
3 |
||||||
|
J-D□/3.8 |
540 |
1080 |
1620 |
3.8 |
55 |
4 |
||||||
|
J-D□/2.8 |
540 |
1080 |
1620 |
2.8 |
55 |
3 |
||||||
|
J-D□/3.2 |
650 |
1300 |
1995 |
3.2 |
60 |
4 |
||||||
|
J-D□/2.4 |
650 |
1300 |
1995 |
2.4 |
60 |
3 |
||||||
|
J-D□/2.6 |
760 |
1520 |
2280 |
2.6 |
65 |
4 |
||||||
|
J-D□/2.0 |
760 |
1520 |
2280 |
2.0 |
65 |
3 |
||||||
|
J-D□/2.3 |
900 |
1800 |
2700 |
2.3 |
70 |
4 |
25 |
153 |
266 |
361 |
||
|
J-D□/1.6 |
900 |
1800 |
2700 |
1.6 |
70 |
3 |
||||||
|
J-D□/2.0 |
1050 |
2100 |
3150 |
2.0 |
75 |
4 |
||||||
|
J-D□/1.4 |
1050 |
2100 |
3150 |
1.4 |
75 |
3 |
||||||
|
J-D□/1.8 |
1200 |
2400 |
3600 |
1.8 |
80 |
4 |
||||||
|
J-D□/1.2 |
1200 |
2400 |
3600 |
1.2 |
80 |
3 |
||||||
|
J-D□/1.6 |
1350 |
2700 |
4050 |
1.6 |
85 |
4 |
||||||
|
J-D□/1.1 |
1350 |
2700 |
4050 |
1.1 |
85 |
3 |
||||||
|
J-D□/1.4 |
1500 |
3000 |
4500 |
1.4 |
90 |
4 |
32 |
160 |
272 |
369 |
||
|
J-D□/1.0 |
1500 |
3000 |
4500 |
1.0 |
90 |
3 |
||||||
|
J-D□/1.2 |
1680 |
3360 |
5040 |
1.2 |
95 |
4 |
||||||
|
J-D□/0.8 |
1680 |
3360 |
5040 |
0.8 |
95 |
3 |
||||||
|
J-D□/1.0 |
1850 |
3700 |
5550 |
1.0 |
100 |
4 |
40 |
175 |
291 |
380 |
||
|
J-D□/0.8 |
2050 |
4100 |
6150 |
0.8 |
105 |
4 |
||||||
|
J-D□/0.6 |
2250 |
4500 |
6750 |
0.6 |
110 |
4 |
||||||
|
J-D□/1.0 |
2500 |
5000 |
7500 |
1.0 |
95 |
4 |
32 |
180 |
300 |
390 |
||
|
J-D□/0.6 |
3000 |
6000 |
9000 |
0.6 |
105 |
40 |
150 |
4 |
40 |
|
|
|
特點
1.柱塞泵使用的排出壓力范圍比較廣泛,且宜制成高壓泵
2.結構簡單,維修方便,價格具有競爭優勢
3.柱塞直徑很小,通常在3-200mm.
4.使用J緣,冷卻或加熱泵缸控制介質溫度。
應用
廣泛應用于化工、石油化工、電力、醫藥、采礦、造船、輕工、農業、國防等領域。
尺寸


