![]() |

|
|
|||||||||||||||||||||||||||||||||||||||||||||||||||||||||||||||||||||||||||||||||||||||||||||||||||||||||||||||||||||||||||||||||||||||||||||||||||||||||||||||||||||||||||||||||||||||||||||||||||||||||||||||||||||||||||||||||||||||||||||||||||||||||||||||||||||||||||||||||||||||||||||||||||||||
J-ZR系列柱塞式計量泵

產品介紹
流量范圍: 0-1000 L/H
壓力范圍: 0-50 Mpa
電機功率: 1.1KW, 1.5KW, 220V / 380V / 400V, 50/60Hz
驅動系統(tǒng): 三相標準電機或防爆電機
流量控制:手動控制, 自動控制(接受4-20mA 信號)
防護等級: IP55,IP54
材質
泵頭: SUS304, SUS316,SUS304+PTFE,SUS316+PTFE
隔膜: PTFE
單向閥: SUS304, SUS316, PVC, PTFE
閥球: ZrO2, SUS304, SUS316, 陶瓷, 二氧化硅
工作條件
環(huán)境溫度: -30℃ --- 90℃
新款技術參數表:
| 型號MODEL | 流量(L/H) | 電機功率 | 柱塞直徑 (mm) |
行程 (mm) |
泵速 (min-1) |
進出口徑 (DN) |
重量(kg) | |
| 1.1kw | 1.5kw | |||||||
| 壓力(Mpa) | ||||||||
| J-ZR□/50/40 | 6.5 | 40 | 50 | 8 | 30 | 96 | 6 接管套 |
80 |
| J-ZR□/40/30 | 16 | 30 | 40 | 12 | ||||
| J-ZR□/22/16 | 32 | 16 | 22 | 16 | ||||
| J-ZR□/14/10 | 50 | 10 | 14 | 20 | 10 接管套 |
86 | ||
| J-ZR□/9.0/6.3 | 80 | 6.3 | 9.0 | 25 | ||||
| J-ZR□/7.5/5.0 | 100 | 5.0 | 7.5 | 28 | ||||
| J-ZR□/5.6/4.0 | 130 | 4.0 | 5.6 | 32 | 15 接管套 |
90 | ||
| J-ZR□/4.8/3.5 | 160 | 3.5 | 4.8 | 35 | ||||
| J-ZR□/4.0/2.8 | 190 | 2.8 | 4.0 | 38 | ||||
| J-ZR□/3.2/1.6 | 225 | 2.4 | 3.2 | 42 | ||||
| J-ZR□/2.8/2.0 | 265 | 2.0 | 2.8 | 45 | ||||
| J-ZR□/2.3/1.6 | 330 | 1.6 | 2.3 | 50 | 20 法蘭 |
95 | ||
| J-ZR□/1.8/1.4 | 400 | 1.4 | 1.8 | 55 | ||||
| J-ZR□/1.6/1.2 | 480 | 1.2 | 1.6 | 60 | ||||
| J-ZR□/1.3/1.0 | 550 | 1.0 | 1.3 | 65 | ||||
| J-ZR□/1.2/0.8 | 650 | 0.8 | 1.2 | 70 | ||||
| J-ZR□/1.0/0.6 | 750 | 0.6 | 1.0 | 75 | 25法蘭 | 98 | ||
| J-ZR□/0.5 | 1000 | *** | 0.5 | 75 | 30 | 144 | ||
老款技術參數
|
型號 |
流量 (l/h) |
壓力(MPa) |
柱塞直徑 (mm) |
行程(mm) |
沖次 |
電機功率 (kw) |
進出口徑 (DN) |
重量(kg) |
|
J-ZR6.5/50 |
6.5 |
50 |
8 |
30 |
96 |
1.5 |
6 |
80 |
|
J-ZR6.5/40 |
40 |
1.1 |
||||||
|
J-ZR16/5 |
16 |
40 |
12 |
1.5 |
||||
|
J-ZR16/40 |
30 |
1.1 |
||||||
|
J-ZR32/22 |
32 |
22 |
16 |
1.5 |
||||
|
J-ZR32/16 |
16 |
1.1 |
||||||
|
J-ZR50/14 |
50 |
14 |
20 |
1.5 |
10 |
86 |
||
|
J-ZR50/1.0 |
10 |
1.1 |
||||||
|
J-ZR80/9.0 |
80 |
9.0 |
25 |
1.5 |
||||
|
J-ZR80/6.3 |
6.3 |
1.1 |
||||||
|
J-ZR100/7.5 |
100 |
7.5 |
28 |
1.5 |
||||
|
J-ZR100/5.0 |
5.0 |
1.1 |
||||||
|
J-ZR130/5.6 |
130 |
5.6 |
32 |
1.5 |
||||
|
J-ZR130/4.0 |
4.0 |
1.1 |
||||||
|
J-ZR160/4.8 |
160 |
4.8 |
35 |
1.5 |
15 |
90 |
||
|
J-ZR160/3.5 |
3.5 |
1.1 |
||||||
|
J-ZR190/4.0 |
190 |
4.0 |
38 |
1.5 |
||||
|
J-ZR190/2.8 |
2.8 |
1.1 |
||||||
|
J-ZR225/4.2 |
225 |
3.2 |
42 |
1.5 |
||||
|
J-ZR225/2.2 |
2.4 |
1.1 |
||||||
|
J-ZR330/2.3 |
330 |
2.3 |
50 |
1.5 |
||||
|
J-ZR330/1.6 |
1.6 |
1.1 |
||||||
|
J-ZR400/1.8 |
400 |
1.8 |
55 |
1.5 |
||||
|
J-ZR400/1.4 |
1.4 |
1.1 |
||||||
|
J-ZR480/1.6 |
480 |
1.6 |
60 |
1.5 |
20 |
95 |
||
|
J-ZR480/1.2 |
1.2 |
1.1 |
||||||
|
J-ZR550/1.3 |
550 |
1.3 |
65 |
1.5 |
||||
|
J-ZR550/1.0 |
1.0 |
1.1 |
||||||
|
J-ZR650/1.2 |
650 |
1.2 |
70 |
1.5 |
||||
|
J-ZR6500.8 |
0.8 |
1.1 |
||||||
|
J-ZR750/1.0 |
750 |
1.0 |
75 |
1.5 |
||||
|
J-ZR750/0.6 |
0.6 |
1.1 |
||||||
|
J-ZR1000/0.5 |
1000 |
0.5 |
75 |
144 |
1.5 |
特點
1.柱塞泵使用的排出壓力范圍比較廣泛,且宜制成高壓泵
2.結構簡單,維修方便,價格具有競爭優(yōu)勢
3.柱塞直徑很小,通常在8-75mm.
4.使用J緣,冷卻或加熱泵缸控制介質溫度。
應用
廣泛應用于化工、石油化工、電力、醫(yī)藥、采礦、造船、輕工、農業(yè)、國防等領域。
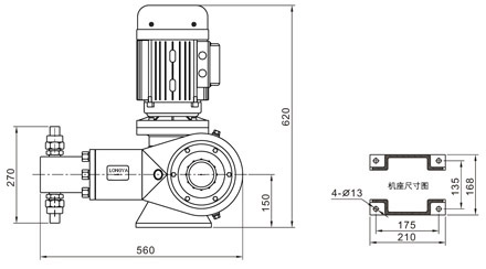
J-ZR計量泵安裝尺寸圖:
